预售产品
- 6mm高性能电机(15)
- 6mm高性能电机(57)
- 6mm高性能电机(221)
- 8mm高性能电机(16)
- 8mm高性能电机(64)
- 8mm高性能电机(64)
- 10mm高性能电机(25)
- 10mm高性能电机(64)
- 10mm高性能电机(64)
- 10mm高性能电机(256)
- 12mm高性能电机(21)
- 12mm高性能电机(103)
- 12mm高性能电机(138)
- 12mm高性能电机(231)
- 16mm高性能电机(21)
- 16mm高性能电机(62)
- 16mm高性能电机(138)
- 22mm高性能电机(43)
- 26mm高性能电机(1526)
- 32mm高性能电机(138)
- 38mm高性能电机(150)
- 42mm高性能电机(62)
- 42mm高性能电机(83)
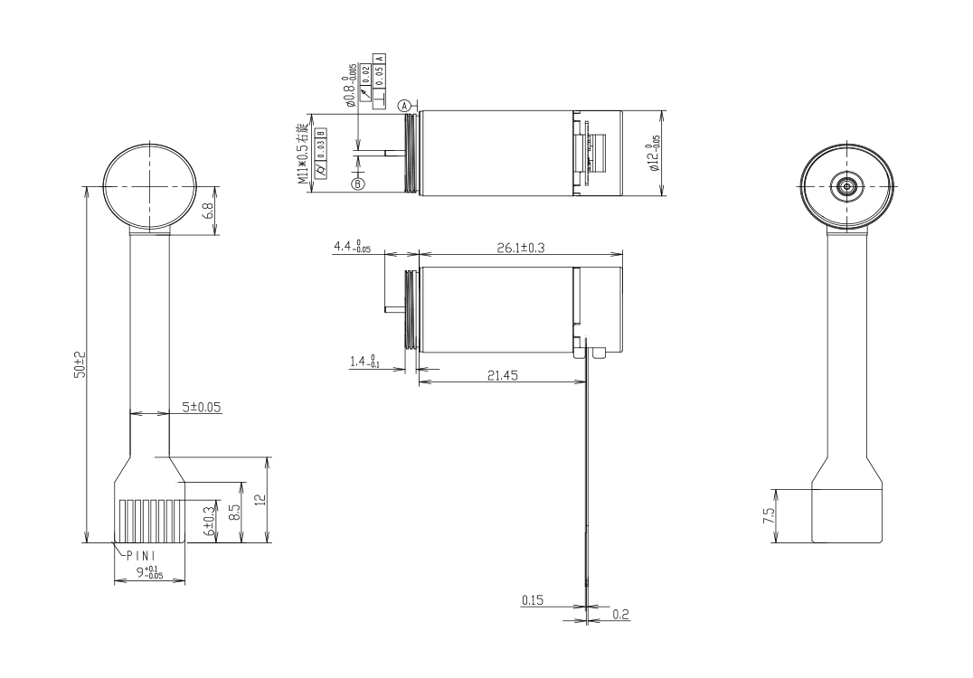
Φ12mm 无刷空心杯电机
产品型号:MC1226
直径(mm):12
长度(mm):26
额定电压(V):12
额定转速(rpm):20970±10%
堵转转矩(mNm):8.9±7%
堵转电流(A):2.38±20%
转矩常数(mNm/A):3.87±20%
速度常数(rpm/V):2383±20%
输出轴直径(mm):0.8
| 电机数据(额定值) | |||
| 额定电压(V) | 12 | ||
| 空载转速(rpm) | 28600±10% | ||
| 空载电流(A) | 78±50% | ||
| 额定转速 (rpm) | 20970±10% | ||
| 额定转矩(mNm) | 2.38 | ||
| 额定电流(A) | 0.69±50% | ||
| 堵转转矩(mNm) | 8.9±7% | ||
| 堵转电流(A) | 2.38±20% | ||
| 最大效率(%) | 67±7% | ||
| 电机常数(额定值) | |||
| 相间电阻(Ω) | 5.3±10% | ||
| 相间电感(mH) | 0.042±10% | ||
| 转矩常数(mNm/A) | 3.87±20% | ||
| 速度常数(rpm/V) | 2383±20% | ||
| 转速/转矩斜度( rpm/mNm) | 3213±20% | ||
| 机械时间常数(ms) | 4.5±20% | ||
| 转子惯量(gcm2) | 0.138±20% | ||
| 热参数 | |||
| 机壳-环境热阻(K/W) | 38.6 | ||
| 绕组-机壳热阻(K/W) | 7.5 | ||
| 绕组热时间常数(s) | 3.2 | ||
| 电机热时间常数(s) | 210 | ||
| 环境温度(℃) | ?? -20~+100 | ||
| 最高绕组温度(℃) | 125 | ||
| 机械参数(滚珠轴承) | |||
| 最大允许转速(rpm) | 40 000 | ||
| 最大轴向间隙(mm) | < 0.15 N? 0 | ||
| ?> 0.15 N? 0.06(max) | |||
| 径向间隙 | ?preloaded | ||
| 最大轴向动态载荷(N) | 2 | ||
| 最大允许安静态装力(N) | 10 | ||
| 最大径向载荷,距离法兰处2mm处(N) | 5 | ||
| 端子型号 | |||
| Molex 52745-1297 |
设计图纸
热门产品查看更多
应用场景
企业邮箱
粤ICP备11019966号 Copyright ? 2023 深圳市不朽情缘mg官网机电股份有限公司 
粤ICP备11019966号Copyright 2023 深圳市不朽情缘mg官网机电股份有限公司













Φ12mm 无刷空心杯电机规格书