电机参数
| 电机数据(额定值) | |||
| 额定电压(V) | 12 | ||
| 空载转速(rpm) | 38500 | ||
| 空载电流(A) | 70 | ||
| 额定转速 (rpm) | 25500 | ||
| 额定转矩(mNm) | 0.85 | ||
| 额定电流(A) | 0.5 | ||
| 堵转转矩(mNm) | 3.5 | ||
| 堵转电流(A) | 1.65 | ||
| 最大效率(%) | 67 | ||
| 电机常数(额定值) | |||
| 相间电阻(Ω) | 8.4 | ||
| 相间电感(mH) | 0.05 | ||
| 转矩常数(mNm/A) | 2.22 | ||
| 速度常数(rpm/V) | 3155 | ||
| 转速/转矩斜度( rpm/mNm) | 11000 | ||
| 机械时间常数(ms) | 2.87 | ||
| 转子惯量(gcm2) | 0.024 | ||
| 热参数 | |||
| 机壳-环境热阻(K/W) | 56.6 | ||
| 绕组-机壳热阻(K/W) | 11.5 | ||
| 绕组热时间常数(s) | 3.7 | ||
| 电机热时间常数(s) | 120 | ||
| 环境温度(℃) | ?? -20…+100 | ||
| 最高绕组温度(℃) | 125 | ||
| 机械参数(滚珠轴承) | |
|---|---|
| 最大允许转速(rpm) | 40 000 |
| 最大轴向间隙(mm) | < 0.15 N? ?0 |
| > 0.15 N? ?0.06(max) | |
| 径向间隙 | preloaded |
| 最大轴向动态载荷(N) | 2 |
| 最大允许安静态装力(N) | 10 |
| 最大径向载荷,距离法兰处2mm处(N) | 5 |
| 端子型号 | |||
| Molex 52745-1297 |
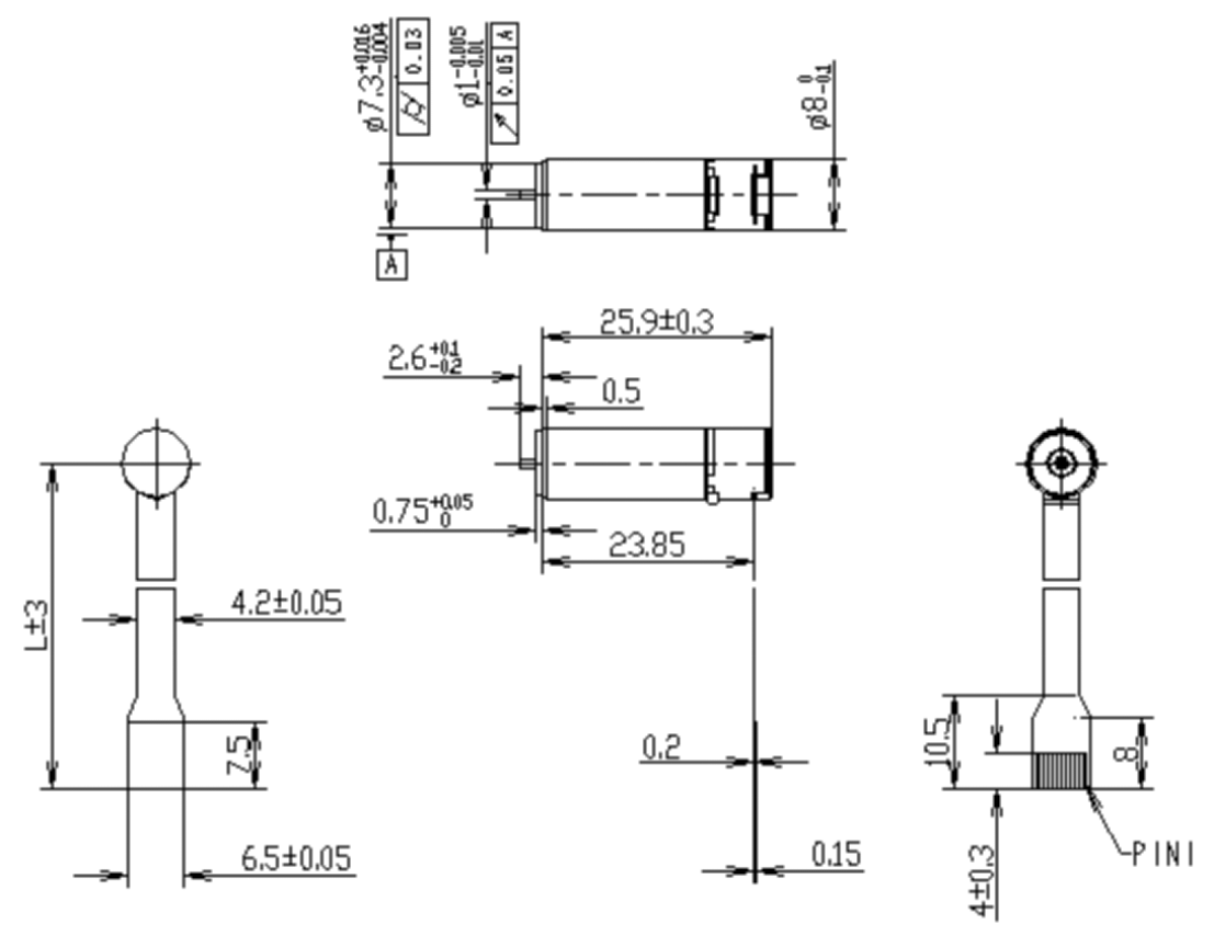
设计图纸

















查看详情
Φ8mm 无刷空心杯电机(MC0824)规格书
