股票代码  003021
主页 > 预售产品 > 空心杯无刷电机 > Φ6mm 无刷空心杯电机
概述

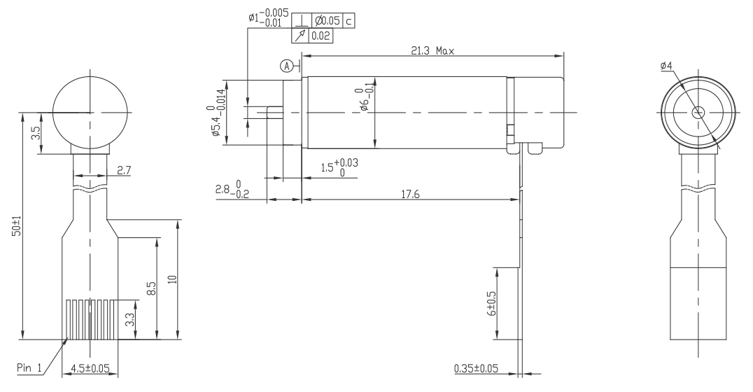
Φ6mm 无刷空心杯电机

产品型号:MC0623

直径(mm):6

长度(mm):23

额定电压(V):12

额定转速(rpm):46800±10%

堵转转矩(mNm):1.5±7%

堵转电流(A):0.85±20%

转矩常数(mNm/A):1.73±20%

速度常数(rpm/V):5523±20%

输出轴直径(mm):1

电机数据(额定值)
额定电压(V) 12
空载转速(rpm) 63400±10%
空载电流(A) 37±50%
额定转速 (rpm) 46800±10%
额定转矩(mNm) 0.4
额定电流(A) 0.256±50%
堵转转矩(mNm) 1.5±7%
堵转电流(A) 0.85±20%
最大效率(%) 63±7%
电机常数(额定值)
相间电阻(Ω) 14.4±10%
相间电感(mH) 0.1±10%
转矩常数(mNm/A) 1.73±20%
速度常数(rpm/V) 5523±20%
转速/转矩斜度( rpm/mNm) 45972±20%
机械时间常数(ms) 2.84±20%
转子惯量(gcm2) 0.007±20%
热参数
机壳-环境热阻(K/W) 67.9
绕组-机壳热阻(K/W) 15.2
绕组热时间常数(s) 1.54
电机热时间常数(s) 71.5
环境温度(℃) ?? -20~+100
最高绕组温度(℃) 125
机械参数(滚珠轴承)
最大允许转速(rpm) 100 000
最大轴向间隙(mm) < 0.15 N? 0
?> 0.15 N? 0.06(max)
径向间隙 ?preloaded
最大轴向动态载荷(N) 0.1
最大允许安静态装力(N) 10
最大径向载荷,距离法兰处2mm处(N) 2
端子型号
Molex 52745-0897 52207-0460
FCI SFV8R-2STBE1HLF SFW4R-2STGE1LF
*注:以上具体参数可根据客户要求定制。

设计图纸

热门产品查看更多

资料下载

Φ6mm 无刷空心杯电机规格书

不朽情缘mg官网 — 微型驱动系统制造商

专注于研发、生产精密驱动系统,为客户提供智能驱动方案设计,零件的生产与组装的定制化服务

立即咨询  >

粤ICP备11019966号     Copyright ? 2023  深圳市不朽情缘mg官网机电股份有限公司  

粤ICP备11019966号
Copyright  2023  深圳市不朽情缘mg官网机电股份有限公司

400-066-2287
服务热线


线

服务热线:400-066-2287
sitemap地图